![]() |
![]() |
![]() |
| API Pressure Rating |
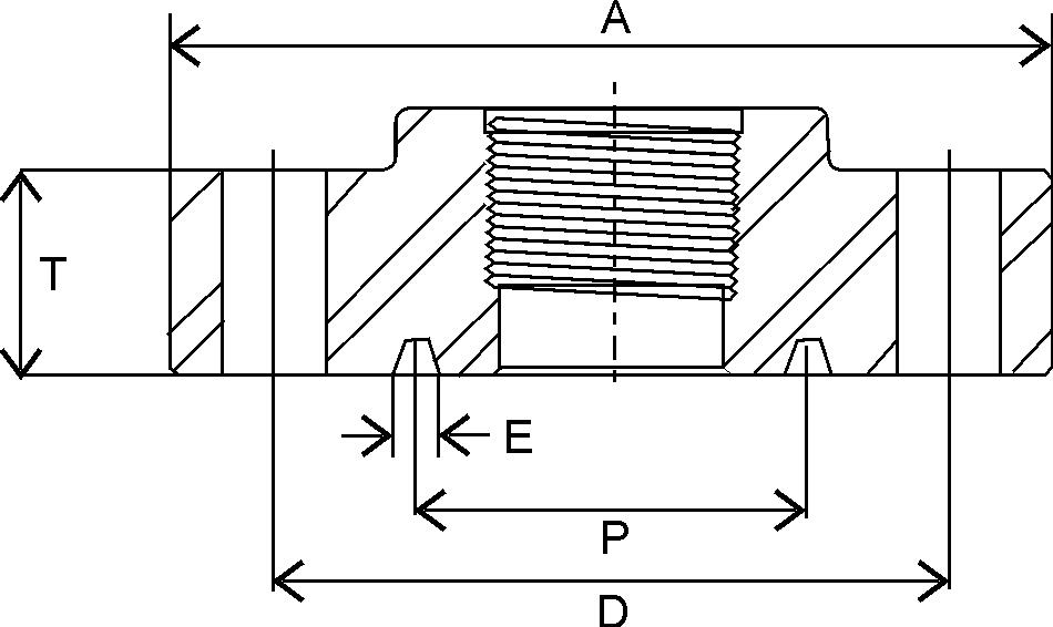
Flange | Ring Groove | Bolt Studs | ||||||||||||||
| Nominal Size |
Outside Diameter |
T | P | E Width |
Ring No |
D Bolt Circle |
No. | Size | Stud Length |
||||||||
| in | mm | in | mm | in | mm | in | mm | in | mm | in | mm | in | mm | ||||
| 2000 psi 13.8 MPa (R or RX Gasket) |
2-1/16 | 52.4 | 6-1/2 | 165 | 1-5/16 | 33.3 | 3-1/4 | 82.55 | 15/32 | 11.91 | 23 | 5 | 127.0 | 8 | 5/8 | 4-1/2 | 108 |
| 2-9/16 | 65.1 | 7-1/2 | 191 | 1-7/16 | 36.5 | 4 | 101.60 | 15/32 | 11.91 | 26 | 5-7/8 | 149.2 | 8 | 3/4 | 5 | 127 | |
| 3-1/8 | 79.4 | 8-1/4 | 210 | 1-9/16 | 39.7 | 4-7/8 | 123.83 | 15/32 | 11.91 | 31 | 6-5/8 | 168.3 | 8 | 3/4 | 5-1/4 | 133 | |
| 4-1/16 | 103.2 | 10-3/4 | 273 | 1-13/16 | 46.0 | 5-7/8 | 149.23 | 15/32 | 11.91 | 37 | 8-1/2 | 215.9 | 8 | 7/8 | 6 | 152 | |
| 5-1/8 | 130.0 | 13 | 330 | 2-1/16 | 52.4 | 7-1/8 | 180.98 | 15/32 | 11.91 | 41 | 10-1/2 | 266.7 | 8 | 1 | 6-3/4 | 165 | |
| 7-1/16 | 179.4 | 14 | 356 | 2-3/16 | 55.6 | 8-5/16 | 211.14 | 15/32 | 11.91 | 45 | 11-1/2 | 292.1 | 12 | 1 | 7 | 178 | |
| 9 | 228.6 | 16-1/2 | 419 | 2-1/2 | 63.5 | 10-5/8 | 269.88 | 15/32 | 11.91 | 49 | 13-3/4 | 349.3 | 12 | 1-1/8 | 8 | 203 | |
| 11 | 279.4 | 20 | 508 | 2-13/16 | 71.4 | 12-3/4 | 323.85 | 15/32 | 11.91 | 53 | 17 | 431.8 | 16 | 1-1/4 | 8-3/4 | 222 | |
| 13-5/8 | 346.1 | 22 | 559 | 2-15/16 | 74.6 | 15 | 381.00 | 15/32 | 11.91 | 57 | 19-1/4 | 489.0 | 20 | 1-1/4 | 9 | 229 | |
| 16-3/4 | 425.5 | 27 | 686 | 3-5/16 | 84.1 | 18-1/2 | 469.90 | 15/32 | 11.91 | 65 | 23-3/4 | 603.3 | 20 | 1-1/2 | 10-1/4 | 260 | |
| 21-1/4 | 539.8 | 32 | 813 | 3-7/8 | 98.4 | 23 | 584.20 | 17/32 | 13.49 | 73 | 28-1/2 | 723.9 | 24 | 1-5/8 | 11-3/4 | 298 | |
| 3000 psi 20.7 MPa (R or RX Gasket) |
2-1/16 | 52.4 | 8-1/2 | 216 | 1-13/16 | 46.0 | 3-3/4 | 95.25 | 15/32 | 11.91 | 24 | 6-1/2 | 165.1 | 8 | 7/8 | 6 | 152 |
| 2-9/16 | 65.1 | 9-5/8 | 244 | 1-15/16 | 49.2 | 4-1/4 | 107.95 | 15/32 | 11.91 | 27 | 7-1/2 | 190.5 | 8 | 1 | 6-1/2 | 165 | |
| 3-1/8 | 79.4 | 9-1/2 | 241 | 1-13/16 | 46.0 | 4-7/8 | 123.83 | 15/32 | 11.91 | 31 | 7-1/2 | 190.5 | 8 | 7/8 | 6 | 152 | |
| 4-1/16 | 103.2 | 11-1/2 | 292 | 2-1/16 | 52.4 | 5-7/8 | 149.23 | 15/32 | 11.91 | 37 | 9-1/4 | 235.0 | 8 | 1-1/8 | 7 | 178 | |
| 5-1/8 | 130.0 | 13-1/4 | 350 | 2-5/16 | 58.8 | 7-1/8 | 180.98 | 15/32 | 11.91 | 41 | 11 | 279.4 | 8 | 1-1/4 | 7-3/4 | 195 | |
| 7-1/16 | 179.4 | 15 | 381 | 2-1/2 | 63.5 | 8-5/16 | 211.14 | 15/32 | 11.91 | 45 | 12-1/2 | 317.5 | 12 | 1-1/8 | 8 | 203 | |
| 9 | 228.6 | 18-1/2 | 470 | 2-13/16 | 71.4 | 10-5/8 | 269.88 | 15/32 | 11.91 | 49 | 15-1/2 | 393.7 | 12 | 1-3/8 | 9 | 229 | |
| 11 | 279.4 | 21-1/2 | 546 | 3-1/16 | 77.8 | 12-3/4 | 323.85 | 15/32 | 11.91 | 53 | 18-1/2 | 469.9 | 16 | 1-3/8 | 9-1/2 | 241 | |
| 13-5/8 | 346.1 | 24 | 610 | 3-7/16 | 87.3 | 15 | 381.00 | 15/32 | 11.91 | 57 | 21 | 533.4 | 20 | 1-3/8 | 10-1/4 | 260 | |
| 16-3/4 | 425.5 | 27-3/4 | 705 | 3-15/16 | 100.0 | 18-1/2 | 469.90 | 21/32 | 16.67 | 66 | 24-1/4 | 616.0 | 20 | 1-5/8 | 11-3/4 | 298 | |
| 20-3/4 | 527.1 | 33-3/4 | 857 | 4-3/4 | 120.7 | 23 | 584.20 | 25/32 | 19.84 | 74 | 29-1/2 | 749.3 | 20 | 2 | 14-1/2 | 368 | |
| 5000 psi 34.5 MPa (R or RX Gasket) |
2-1/16 | 52.4 | 8-1/2 | 216 | 1-13/16 | 46.0 | 3-3/4 | 95.25 | 15/32 | 11.91 | 24 | 6-1/2 | 165.1 | 8 | 7/8 | 6 | 152 |
| 2-9/16 | 65.1 | 9-5/8 | 244 | 1-15/16 | 49.2 | 4-1/4 | 107.95 | 15/32 | 11.91 | 27 | 7-1/2 | 190.5 | 8 | 1 | 6-1/2 | 165 | |
| 3-1/8 | 79.4 | 10-1/2 | 267 | 2-3/16 | 55.6 | 5-3/8 | 136.53 | 15/32 | 11.91 | 35 | 8 | 203.2 | 8 | 1-1/8 | 7-1/4 | 184 | |
| 4-1/16 | 103.2 | 12-1/4 | 311 | 2-7/16 | 61.9 | 6-3/8 | 161.93 | 15/32 | 11.91 | 39 | 9-1/2 | 241.3 | 8 | 1-1/4 | 8 | 203 | |
| 5-1/8 | 130.0 | 14-3/4 | 375 | 3-3/16 | 81.0 | 7-5/8 | 193.68 | 15/32 | 11.91 | 44 | 11-1/2 | 292.1 | 8 | 1-1/2 | 10 | 255 | |
| 7-1/16 | 179.4 | 15-1/2 | 394 | 3-5/8 | 92.1 | 8-5/16 | 211.14 | 17/32 | 13.49 | 46 | 12-1/2 | 317.5 | 12 | 1-3/8 | 10-3/4 | 273 | |
| 9 | 228.6 | 19 | 483 | 4-1/16 | 103.2 | 10-5/8 | 269.88 | 21/32 | 16.67 | 50 | 15-1/2 | 393.7 | 12 | 1-5/8 | 12 | 305 | |
| 11 | 279.4 | 23 | 584 | 4-11/16 | 119.1 | 12-3/4 | 323.85 | 21/32 | 16.67 | 54 | 19 | 482.6 | 12 | 1-7/8 | 13-3/4 | 349 | |
![]() |
![]() |
| API Pressure Rating |
Flange | Ring Groove | Bolt Studs | ||||||||||||||
| Nominal Size |
A Outside Diameter |
T | G | E Width |
Ring No |
D Bolt Circle |
No. | Size | Stud Length |
||||||||
| in | mm | in | mm | in | mm | in | mm | in | mm | in | mm | in | mm | ||||
| 5000 psi 34.5 MPa (BX Gasket) |
13-5/8 | 346.1 | 26-1/2 | 673 | 4-7/16 | 112.7 | 16.063 | 408.00 | 0.786 | 19.96 | BX-160 | 23-1/4 | 590.6 | 16 | 1-5/8 | 12-1/4 | 318 |
| 16-3/4 | 425.5 | 30-3/8 | 772 | 5-1/8 | 130.2 | 18.832 | 478.33 | 0.705 | 17.91 | BX-162 | 26-5/8 | 676.3 | 16 | 1-7/8 | 14-1/2 | 368 | |
| 18-3/4 | 476.3 | 35-5/8 | 905 | 6-17/32 | 165.9 | 22.185 | 563.50 | 1.006 | 25.55 | BX-163 | 31-5/8 | 803.3 | 20 | 2 | 17-1/2 | 445 | |
| 21-1/4 | 539.8 | 39 | 991 | 7-1/8 | 181.0 | 24.904 | 632.56 | 1.071 | 27.20 | BX-165 | 34-7/8 | 885.8 | 24 | 2 | 18-3/4 | 476 | |
| 10,000 psi 69.0 MPa (BX Gasket) |
1-13/16 | 46.0 | 7-3/8 | 187 | 1-21/32 | 42.1 | 3.062 | 77.77 | 0.466 | 11.84 | BX-151 | 5-3/4 | 146.1 | 8 | 3/4 | 5 | 127 |
| 2-1/16 | 52.4 | 7-7/8 | 200 | 1-47/64 | 44.1 | 3.395 | 86.23 | 0.498 | 12.65 | BX-152 | 6-1/4 | 158.8 | 8 | 3/4 | 5-1/4 | 133 | |
| 2-9/16 | 65.1 | 9-1/8 | 232 | 2-1/64 | 51.2 | 4.046 | 102.77 | 0.554 | 14.07 | BX-153 | 7-1/4 | 184.2 | 8 | 7/8 | 6 | 152 | |
| 3-1/16 | 77.8 | 10-5/8 | 270 | 2-19/64 | 58.3 | 4.685 | 119.00 | 0.606 | 15.39 | BX-154 | 8-1/2 | 215.9 | 8 | 1 | 6-3/4 | 171 | |
| 4-1/16 | 103.2 | 12-7/16 | 316 | 2-49/64 | 70.2 | 5.930 | 150.62 | 0.698 | 17.73 | BX-155 | 10-3/16 | 258.8 | 8 | 1-1/8 | 8 | 203 | |
| 5-1/8 | 130.2 | 14-1/16 | 357 | 3-1/8 | 79.4 | 6.955 | 176.66 | 0.666 | 16.92 | BX-169 | 11-13/16 | 300.0 | 12 | 1-1/8 | 8-3/4 | 222 | |
| 7-1/16 | 179.4 | 18-7/8 | 479 | 4-1/16 | 103.2 | 9.521 | 241.83 | 0.921 | 23.39 | BX-156 | 15-7/8 | 403.2 | 12 | 1-1/2 | 11-1/4 | 286 | |
| 9 | 228.6 | 21-3/4 | 552 | 4-7/8 | 123.8 | 11.774 | 299.06 | 1.039 | 26.39 | BX-157 | 18-3/4 | 476.3 | 16 | 1-1/2 | 13 | 330 | |
| 11 | 279.4 | 25-3/4 | 654 | 5-9/16 | 141.3 | 14.064 | 357.23 | 1.149 | 29.18 | BX-158 | 22-1/4 | 565.2 | 16 | 1-3/4 | 15 | 381 | |
| 13-5/8 | 346.1 | 30-1/4 | 768 | 6-5/8 | 168.3 | 17.033 | 432.64 | 1.279 | 32.49 | BX-159 | 26-1/2 | 673.1 | 20 | 1-7/8 | 17-1/4 | 438 | |
| 16-3/4 | 425.5 | 34-5/16 | 872 | 6-5/8 | 168.3 | 18.832 | 478.33 | 0.705 | 17.91 | BX-162 | 30-9/16 | 776.3 | 24 | 1-7/8 | 17-1/2 | 445 | |
| 18-3/4 | 476.3 | 40-15/16 | 1040 | 8-25/32 | 223.0 | 22.752 | 577.90 | 1.290 | 32.77 | BX-164 | 36-7/16 | 925.5 | 24 | 2-1/4 | 22-1/2 | 572 | |
| 21-1/4 | 539.8 | 45 | 1143 | 9-1/2 | 241.3 | 25.507 | 6647.88 | 1.373 | 34.87 | BX-166 | 40-1/4 | 1022.4 | 24 | 2-1/2 | 24-1/2 | 622 | |
| 15,000 psi 103.5 MPa (BX Gasket) |
1-13/16 | 46.0 | 8-3/16 | 208 | 1-25/32 | 45.2 | 3.062 | 77.77 | 0.466 | 11.84 | BX-151 | 6-5/16 | 160.3 | 8 | 7/8 | 5-1/2 | 140 |
| 2-1/16 | 52.4 | 8-3/4 | 222 | 2 | 50.8 | 3.395 | 86.23 | 0.498 | 12.65 | BX-152 | 6-7/8 | 174.6 | 8 | 7/8 | 6 | 152 | |
| 2-9/16 | 65.1 | 10 | 254 | 2-1/4 | 57.2 | 4.046 | 102.77 | 0.554 | 14.07 | BX-153 | 7-7/8 | 200.0 | 8 | 1 | 6-3/4 | 171 | |
| 3-1/16 | 77.8 | 11-5/16 | 287 | 2-17/32 | 64.3 | 4.685 | 119.00 | 0.606 | 15.39 | BX-154 | 9-1/16 | 230.2 | 8 | 1-1/8 | 7-1/2 | 191 | |
| 4-1/16 | 103.2 | 14-3/16 | 360 | 3-3/32 | 78.6 | 5.930 | 150.62 | 0.698 | 17.73 | BX-155 | 11-7/16 | 290.5 | 8 | 1-3/8 | 9-1/4 | 235 | |
| 7-1/16 | 179.4 | 19-7/8 | 505 | 4-11/16 | 119.1 | 9.521 | 241.83 | 0.921 | 23.39 | BX-156 | 16-7/8 | 428.6 | 16 | 1-1/2 | 12-3/4 | 324 | |
| 9 | 228.6 | 25-1/2 | 648 | 5-3/4 | 146.1 | 11.774 | 299.06 | 1.039 | 26.39 | BX-157 | 21-3/4 | 552.5 | 16 | 1-7/8 | 15-3/4 | 400 | |
| 11 | 279.4 | 32 | 813 | 7-3/8 | 187.3 | 14.064 | 357.23 | 1.149 | 29.18 | BX-158 | 28 | 711.2 | 20 | 2 | 19-1/4 | 489 | |
| 13-5/8 | 346.1 | 34-7/8 | 886 | 8-1/16 | 204.8 | 17.033 | 432.64 | 1.279 | 32.49 | BX-159 | 30-7/8 | 784.2 | 20 | 2-1/4 | 21-1/4 | 540 | |
| 18-3/4 | 476.3 | 45-3/4 | 1162 | 10-1/16 | 255.6 | 22.752 | 577.90 | 1.290 | 32.77 | BX-164 | 40 | 1016.0 | 20 | 3 | 26-3/4 | 679 | |
| 20,000 psi 138.0 MPa (BX Gasket) |
1-13/16 | 46.0 | 10-1/8 | 257 | 2-1/22 | 63.5 | 3.062 | 77.77 | 0.466 | 11.84 | BX-151 | 8 | 203.2 | 8 | 1 | 7-1/2 | 191 |
| 2-1/16 | 52.4 | 11-5/16 | 287 | 2-13/16 | 71.4 | 3.395 | 86.23 | 0.498 | 12.65 | BX-152 | 9-1/16 | 230.2 | 8 | 1-1/8 | 8-1/4 | 210 | |
| 2-9/16 | 65.1 | 12-13/16 | 325 | 3-1/8 | 79.4 | 4.046 | 102.77 | 0.554 | 14.07 | BX-153 | 10-5/16 | 261.9 | 8 | 1-1/4 | 9-1/4 | 235 | |
| 3-1/16 | 77.8 | 14-1/16 | 357 | 3-3/8 | 85.7 | 4.685 | 119.00 | 0.606 | 15.39 | BX-154 | 11-5/16 | 287.3 | 8 | 1-3/8 | 10 | 254 | |
| 4-1/16 | 103.2 | 17-9/16 | 446 | 4-3/16 | 106.4 | 5.930 | 150.62 | 0.698 | 17.73 | BX-155 | 14-1/16 | 357.2 | 8 | 1-3/4 | 12-1/4 | 311 | |
| 7-1/16 | 179.4 | 25-16/16 | 656 | 6-1/2 | 165.1 | 9.521 | 241.83 | 0.921 | 23.39 | BX-156 | 21-13/16 | 554.0 | 16 | 2 | 17-1/2 | 445 | |
| 9 | 228.6 | 31-11/16 | 805 | 8-1/16 | 204.8 | 11.774 | 299.06 | 1.039 | 26.39 | BX-157 | 27 | 685.8 | 16 | 2-1/2 | 22-3/8 | 568 | |
| 11 | 279.4 | 34-3/4 | 883 | 8-13/16 | 223.8 | 14.064 | 357.23 | 1.149 | 29.18 | BX-158 | 29-1/2 | 749.3 | 16 | 2-3/4 | 23-3/4 | 603 | |
| 13-5/8 | 346.1 | 35-3/4 | 1162 | 11-1/2 | 292.1 | 17.033 | 432.64 | 1.279 | 32.49 | BX-159 | 40 | 1016.0 | 20 | 3-1/8 | 30 | 762 | |
| Home | News | Products | Swages | Oil Country | Couplings | Spec Blinds | Gapalets | Ring Gaskets | Needle Valves | Pressure Gauges | Hammer Unions | Swivel Joints | API Flanges | Chokes | Catalogues |
Send mail to Webmaster
with questions or comments about this web site.
Copyright © 2024 Vengeance Oilfield Products Inc